刮板輸送機
奧創機械
2024-02-26 14:48:51
0
刮板輸送機介紹:
刮板輸送機是輸送粉塵狀、小顆粒及塊狀等散狀物料的連續輸送設備,可以水平、傾斜和垂直輸送。
散料具有內摩擦力和側壓力等特性。
水平輸送時,物料受到刮板鏈條在運動方向的推力,當料層間的內摩擦力大于物料與槽壁間的外摩擦力時,物料就隨著刮板鏈條向前運動。
在料層高度與機槽寬度之比值滿足一定的條件時,料流是穩定的。垂直輸送時,主要依賴物料所具有的起拱特性。
刮板輸送機可輸送物料:碎煤、碎粉、碎爐潭、飛灰、煙灰、炭黑、磷礦粉、碳酸氫銨、尿素、氯化銨、蘇打粉、硫鐵礦潭、塑料單體、活性炭、固體農藥、焦炭粉、石灰石粉、鉻礦粉、白云石粉、銅精礦粉、氧化鋁粉、氧化鐵粉、石英砂,燒結返礦、水泥、粘土粉、陶土、黃砂、鑄造舊砂、小麥、大豆玉米、菜籽、米、糖、淀粉、谷物類、谷物麥、木片、竹片、鋸床等,MZ型埋刮板輸送機推薦用于鍋爐房上煤及輸送谷物類(如小麥、玉米、大豆等)和輕物料類(如木片、鋸床等)。
刮板輸送機
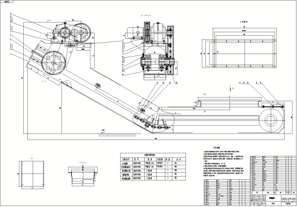
刮板輸送機圖紙:
刮板輸送機
刮板輸送機類型:
刮板輸送機
刮板輸送機選型方式:
刮板輸送機

相關內容

熱門資訊